※ 引述《Kazama168 (チャキ丸)》之銘言: : 華碩台灣的價格也不用看京東對照 : 有店家偷跑在官網放出來了 : PRIME-P WIFI-CSM 8490 : TUF PLUS 9990 : ROG-A 12990 : ROG-I 13990 : ROG-E 16990 : PROART 14990 : HERO 20990 : 開價意外的低 正式報價出來囉 ======================================================================== –華碩主板加碼– 華碩 X870 ROG 系列搭 AMD 9000 CPU 送 ROG STRIX LC III 360 ARGB 黑/白水冷(現賺 NT.6990) 華碩 X870 PRIME + TUF 系列搭 AMD 9000 CPU 送 TUF GAMING LC II 360 ARGB 水冷(現 賺NT.3690) -華碩 PRIME X870-P WIFI-CSM(ATX/Realtek2.5G+Wi-Fi 7/註四年)14+2+1相 NT.8490 開 箱 -華碩 TUF GAMING X870-PLUS WIFI(ATX/Realtek2.5G+Wi-Fi 7/註五年)16+2+1相 NT.9990 開箱 -華碩 PROART X870E-CREATOR WIFI(ATX/Marvell 10G+Intel 2.5G+Wi-Fi 7)16+2+2相 NT.14990 開箱 -華碩 ROG STRIX X870-A GAMING WIFI(ATX/Intel 2.5G+Wi-Fi 7/註五年)16+2+2相 NT.12990 開箱 -華碩 ROG STRIX X870E-E GAMING WIFI(ATX/Realtek 5G+Wi-Fi 7/註五年)18+2+2相 NT.16990 開箱 -華碩 ROG CROSSHAIR X870E HERO(ATX/Realtek 5G+Intel 2.5G+Wi-Fi 7)18+2+2相 NT.20990 開箱 =========================================================================== –技嘉主板加碼– 技嘉 X870 系列主板搭 AMD R9 CPU 送 AORUS WATERFORCE II 360 鷹魂二(黑/白)(現賺 NT.4490) 技嘉 X870 系列主板搭 AMD R5/R7 CPU 送 AORUS WATERFORCE II 240 鷹魂二(現賺 NT.NT.3490) -技嘉 X870 EAGLE WIFI7(ATX/Realtek2.5G+Wi-Fi 7/註五年)14+2+2相 NT.7990 -技嘉 X870 GAMING X WIFI7(ATX/Realtek2.5G+Wi-Fi 7/註五年)16+2+2相 NT.9490 -技嘉 X870 AORUS ELITE WIFI7(ATX/Realtek2.5G+Wi-Fi 7/註五年)16+2+2相 NT.10490 -技嘉 X870 AORUS ELITE WIFI7 ICE(ATX/Realtek2.5G+Wi-Fi 7/獨家-冰魄白)16+2+2相 NT.10490 -技嘉 X870E AORUS PRO(ATX/Realtek2.5G+Wi-Fi 7/註五年)16+2+2相 NT.11990 -技嘉 X870E AORUS PRO ICE(冰魄白)(ATX/Realtek2.5G+Wi-Fi 7/註五年)16+2+2相 NT.12990 -技嘉 X870E AORUS MASTER(ATX/Realtek5G+Wi-Fi 7/註五年)16+2+2相 NT.20490 =========================================================================== –微星主板加碼– 微星 X870 主機板任搭 AMD 9000 CPU 送 MAG CoreLiquid E360 黑/白水冷任選(現賺 NT.4990) -微星 PRO X870-P WIFI(ATX/Realtek 5G+Wi-Fi 7/註四年)14+2+1相 NT.8490 -微星 MAG X870 TOMAHAWK WIFI(ATX/Realtek 5G+Wi-Fi 7/註五年)14+2+1相 NT.10890 -微星 MPG X870E CARBON WIFI(ATX/Realtek 5G+2.5G+Wi-Fi 7/註五年)18+2+1相 NT.13990 開箱 -微星 MEG X870E GODLIKE(ATX/Marvell 10G+Realtek 5G+Wi-Fi 7)24+2+1相 =========================================================================== –華擎主板加碼– -華擎 X870 主機板任搭 AMD 9000 CPU 送 Antec Vortex 360 ARGB 黑/白水冷任選(現賺 NT.3490) -華擎 X870 Pro RS(ATX/Dragon 2.5G/註五年)14+2+1相電源 NT.7990 -華擎 X870 Pro RS WiFi(ATX/Dragon 2.5G+Wi-Fi 7/註五年)14+2+1相電源 NT.8990 -華擎 X870E Taichi Lite(EATX/Realtek 5G+Wi-Fi 7/註五年)24+2+1相 NT.14990 =========================================================================== 首發居然沒有MATX跟ITX 繼續觀望 但是X870有些板子的M2會搶顯卡PCIE頻寬,插滿會變成GEN5x8 大石頭有些板子SATA剩下2顆 -- 丁特是我自己認識他後發現他人很Nice,根本不是某些鄉民口中講的那樣 我可以作證這兩件事都是真的,只是丁特覺得還是不要公開比較好。 https://ptt-website.tw/LoL/M.1506684038.A.463 by 實況主九妹 -- ※ 發信站: 批踢踢實業坊(ptt-website.tw), 來自: 1.172.214.170 (臺灣) ※ 文章網址: https://ptt-website.tw/PC_Shopping/M.1727608778.A.CA7
cliff2001: 這次都近8000起跳欸 111.243.14.150 09/29 19:22
fu1vu03: 等技嘉X870I 國外好像299鎂 211.76.58.165 09/29 19:26
qazws931: 買到撞到 61.230.203.189 09/29 19:28
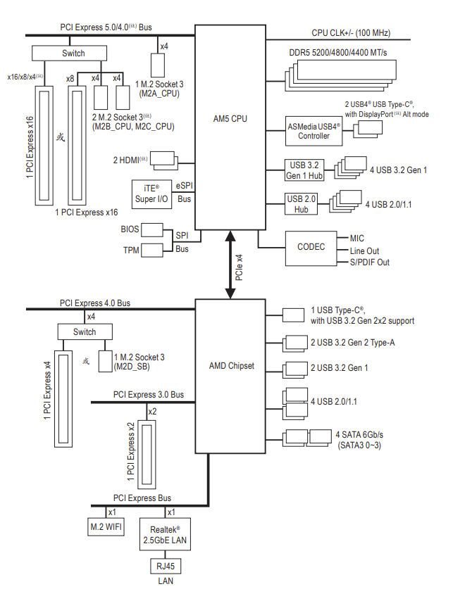
fu1vu03: 技嘉有張板子很妙,M.2會跟X16搶通道 211.76.58.165 09/29 19:30
fu1vu03: https://i.imgur.com/C7q2RNg.png 211.76.58.165 09/29 19:30
izilo: 有人包養過洋鬼子嗎 211.76.58.165 09/29 19:30
fu1vu03: 不過X870就是B650E+USB4吧 通道數就那麼 211.76.58.165 09/29 19:32
fu1vu03: 多而已 211.76.58.165 09/29 19:32
gameguy: 誰買誰盤子 223.136.190.15 09/29 19:37
mercuries2: 微星godlike的價格好像漏掉了,賣2990 61.71.21.173 09/29 19:48
mercuries2: 0? 61.71.21.173 09/29 19:48
SEDAP: 有錢人為啥都想包養 61.71.21.173 09/29 19:48
b131325: 主要是9000本身大滯銷,高階板很難一起 1.175.114.112 09/29 19:49
b131325: 賣得動吧 1.175.114.112 09/29 19:49
b131325: 9800X3D真的該出來救場了 1.175.114.112 09/29 19:50
logus: x870i aorus pro ice是白色的意思嗎223.137.183.184 09/29 19:50
SYUAN0301: 9000死人價就沒人要買了 還搭價格臭到 61.227.1.82 09/29 20:09
TUZom: 有人被洋鬼子包養過嗎 61.227.1.82 09/29 20:09
SYUAN0301: 不行的板誰要買== 61.227.1.82 09/29 20:09
as920909: 這麼膨脹阿 36.225.134.89 09/29 20:14
kaj1983: x3d直接卡住中高階價位的買家 218.166.28.28 09/29 20:16
kaj1983: 75f和7700mpk又再卡住中低階價位的 218.166.28.28 09/29 20:17
kaj1983: 高價板子和cpu都一樣不好賣 218.166.28.28 09/29 20:17
Jiulon: 到底要多有錢才會想包養 218.166.28.28 09/29 20:17
apps9661509: 一堆5位數,我看我還是B650E順順用就 114.27.1.29 09/29 20:46
apps9661509: 好 114.27.1.29 09/29 20:46
RGZ91B: AM5板子越賣越貴是為了攤板廠更新成本嗎? 61.228.131.79 09/29 20:52
DANTEINFERNO: EATX竟然只有太極 還比較便宜@@ 1.173.140.3 09/29 20:57
h3971692: 技嘉這批主板價格意外的比對岸京東便宜 36.227.254.63 09/29 20:57
laetuon: 這個包養分析正確嗎 36.227.254.63 09/29 20:57
h3971692: 真不錯 36.227.254.63 09/29 20:57
DANTEINFERNO: 然後各家送水冷只有100套??耍猴遊 1.173.140.3 09/29 21:04
DANTEINFERNO: 戲玩不膩 1.173.140.3 09/29 21:04
yocpswang: 可是9000不是用不上水冷嗎?_? 101.9.192.246 09/29 21:11
tpktony: 送得起水冷,表示很好賺啊。 114.27.218.135 09/29 21:15
slot365: 閨蜜上包養網還推薦我... 114.27.218.135 09/29 21:15
EXZUSIC: 裝一個HDD,裝光碟機 SATA沒了 123.195.0.100 09/29 21:29
verdandy: 現在要多SATA,只能用擴充卡了 203.222.14.173 09/29 21:31
kaj1983: 現在裝HDD不多了吧,裝光碟機的更少了 218.166.28.28 09/29 21:40
knml: 我大X3D只用丐版,現省5000以上 1.200.12.136 09/29 22:03
chien120: 9700X+hero 別跟我搶 114.37.72.29 09/29 22:12
colortea: 包養? 114.37.72.29 09/29 22:12
kaj1983: 不過這次的堆料,高階板子總算棄intel網 218.166.28.28 09/29 22:14
kaj1983: 卡了,看過去幾乎都是螃蟹,這是好事 218.166.28.28 09/29 22:14
scarbywind: 水冷本來就沒多少錢吧 220.132.56.3 09/29 22:32
lun916: proart竟然沒送@@ 111.71.40.233 09/29 22:58
z83420123: X3D也沒耗電到要用高階版阿 1.162.99.189 09/30 00:28
glenber: 現在包養網都這麼直接嗎 1.162.99.189 09/30 00:28
Luciferspear: 這水冷有那麼難賣嗎 1.171.237.184 09/30 00:48
FighterVin: X870E APEX 116.241.146.9 09/30 00:51
FighterVin: https://i.imgur.com/ijgjG0z.jpeg 116.241.146.9 09/30 00:51
duece0927: X3D是不是用B板就可以了 42.77.220.10 09/30 01:26
NanaMizuki: 是啊,amd又沒鎖東西 1.165.92.225 09/30 01:35
Kimbel: 歐美包養真的很平常嗎? 1.165.92.225 09/30 01:35
NanaMizuki: 錢丟去顯卡比丟主機板划算太多了 1.165.92.225 09/30 01:38
b131325: 隨便都馬夠用,市場高低價客群的問題 1.175.114.112 09/30 01:47
b131325: 5K跟20K對我來說就沒什麼差別 1.175.114.112 09/30 01:48
b131325: 你覺得是盤子 他覺得零錢幹嘛計較 1.175.114.112 09/30 01:50
cpp90312: doglike不是EATX的嗎? 211.78.49.140 09/30 03:07
tale1890: 男友上包養網 該放生嗎 211.78.49.140 09/30 03:07
r98192: 華碩跟技嘉一堆WIFI沒有320MHz的晶片=_= 217.178.204.32 09/30 08:30
r98192: 看不起大家不會買WIFI7的路由器就對了 217.178.204.32 09/30 08:30
z0982459227: 請問如果預計要換9800x3d 有建議要 111.252.69.40 09/30 08:39
z0982459227: 換到x870板子嗎 或者有推的白板 111.252.69.40 09/30 08:39
blockyang: 同樓上疑問,請專家開釋 114.45.77.206 09/30 09:45
waterway: 是這個包養平台嗎 114.45.77.206 09/30 09:45
Kazama168: 9800X3D又還沒出來怎推薦 27.240.217.143 09/30 10:04
Kazama168: 7800X3D的話4.5000的主板供電就夠了, 27.240.217.143 09/30 10:04
Kazama168: 剩下就是為額外插槽跟外觀付費 27.240.217.143 09/30 10:04
skyrain1234: 現在板子都堆一堆料 比較丐的板子供 49.217.124.178 09/30 10:57
skyrain1234: 電可能都8相起跳了 不像以前可能到中 49.217.124.178 09/30 10:57
mark1888: 交男友跟包養有什麼差別 49.217.124.178 09/30 10:57
skyrain1234: 階版也都才4+2相 49.217.124.178 09/30 10:57
wsc47621: E版一萬七,等850了,買不下 101.9.66.120 09/30 11:17
cat05joy: 蝦 想用貓頭鷹捏 還要賣水冷 211.20.117.1 09/30 12:19
cat05joy: 前幾台都用太極 想換牌試試 211.20.117.1 09/30 12:19
rock0807: B650 真香223.140.136.197 09/30 12:33
Quaranta: 包養網到底在紅什麼?223.140.136.197 09/30 12:33
odanaga: b650e好一點的板 應該賣得差不多 114.136.193.77 09/30 15:10
a951l753vin: ROG-I 13990!!?? 111.71.64.151 09/30 20:56
a951l753vin: 機台X870I 開價9900還行 111.71.64.151 09/30 20:58